製品検索TOP 高周波フィルタ

キーワード検索
型番検索
「高周波フィルタ」カテゴリーの製品 26件中/1-15件目を表示
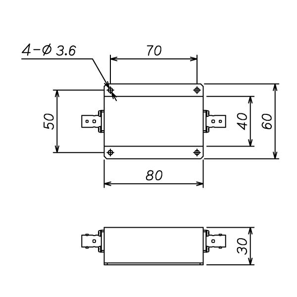
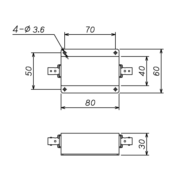
V帯V/V共用器
V帯V/V共用器
タイプ N型
形状 V帯V/V共用器
特性インピーダンス 50Ω

トンネル無線通信補助設備に使用するVHF帯/VHF帯2波共用器です。
挿入損失:F1側:F1にて1.5dB以下、F2側:F2にて1.5dB以下
VSWR:1.3以下
最大許容電力:30W
【RoHS対応品】

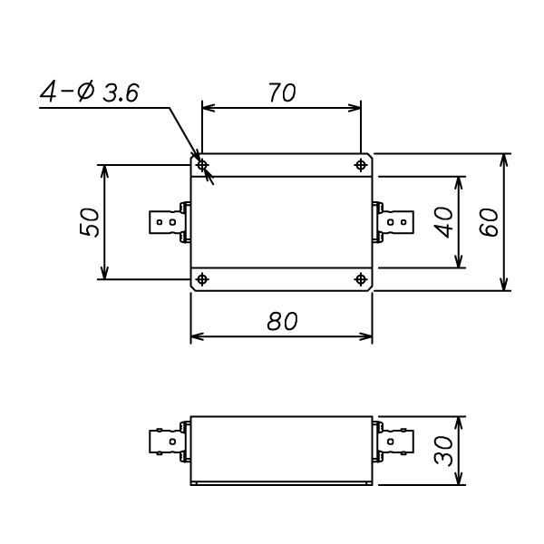
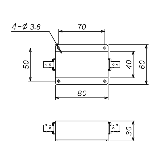
VU帯V/U共用器
VU帯V/U共用器
タイプ N型
形状 VU帯V/U共用器
特性インピーダンス 50Ω

トンネル無線通信補助設備に使用するVHF帯/UHF帯2波共用器です。
挿入損失:F1側:F1にて1.5dB以下、F2側:F2にて1.5dB以下
VSWR:1.3以下
最大許容電力:30W
【RoHS対応品】

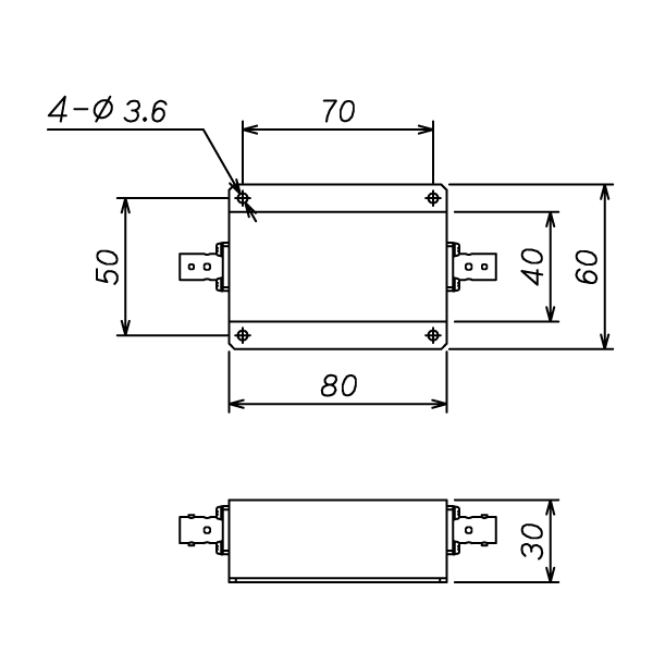
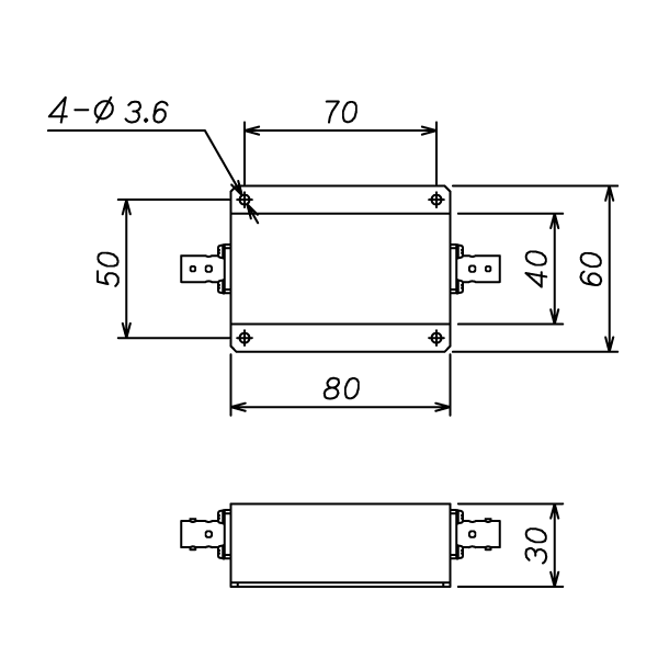
FVU帯F/VU共用器
FVU帯F/VU共用器
タイプ N型
形状 FVU帯F/VU共用器
特性インピーダンス 50Ω

トンネル無線通信補助設備に使用するFM帯域とVHF帯/UHF帯2波共用器です。
挿入損失:F1側:F1にて1.5dB以下、F2側:F2にて1.5dB以下
VSWR:1.3以下
最大許容電力:30W
【RoHS対応品】

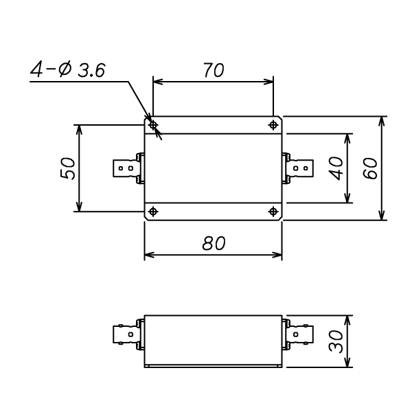
FVU帯FV/U共用器
FVU帯FV/U共用器
タイプ N型
形状 FVU帯FV/U共用器
特性インピーダンス 50Ω

トンネル無線通信補助設備に使用するFM・VHF帯/UHF帯2波共用器です。
挿入損失:F1側:F1にて1.5dB以下、F2側:F2にて1.5dB以下
VSWR:1.3以下
最大許容電力:30W
【RoHS対応品】

260MHz帯送受共用器
260MHz帯送受共用器
タイプ N型
形状 260MHz帯送受共用器
特性インピーダンス 50Ω

トンネル無線通信補助設備に使用する消防無線用の送受共用器です。
使用周波数:F1=264~2660MHz,F2=273~275MHz
VSWR:1.3以下
最大許容電力:30W
【RoHS対応品】

LPF060M-K09N237
LPF060M-K09N237
タイプ LPF
形状 ローパスフィルター
特性インピーダンス 50Ω

衛星通信装置・マイクロ波中継装置・携帯電話基地局など高周波伝送路における装置や周辺機器用として高い信頼性が求められる分野で幅広く使用されています。

LPF150M-K09N238
LPF150M-K09N238
タイプ LPF
形状 ローパスフィルター
特性インピーダンス 50Ω

衛星通信装置・マイクロ波中継装置・携帯電話基地局など高周波伝送路における装置や周辺機器用として高い信頼性が求められる分野で幅広く使用されています。

LPF260M-K09N239
LPF260M-K09N239
タイプ LPF
形状 ローパスフィルター
特性インピーダンス 50Ω

衛星通信装置・マイクロ波中継装置・携帯電話基地局など高周波伝送路における装置や周辺機器用として高い信頼性が求められる分野で幅広く使用されています。

LPF400M-K09N240
LPF400M-K09N240
タイプ LPF
形状 ローパスフィルター
特性インピーダンス 50Ω

衛星通信装置・マイクロ波中継装置・携帯電話基地局など高周波伝送路における装置や周辺機器用として高い信頼性が求められる分野で幅広く使用されています。

HPF150M-K09N241
HPF150M-K09N241
タイプ HPF
形状 ハイパスフィルター
特性インピーダンス 50Ω

衛星通信装置・マイクロ波中継装置・携帯電話基地局など高周波伝送路における装置や周辺機器用として高い信頼性が求められる分野で幅広く使用されています。

HPF260M-K09N242
HPF260M-K09N242
タイプ HPF
形状 ハイパスフィルター
特性インピーダンス 50Ω

衛星通信装置・マイクロ波中継装置・携帯電話基地局など高周波伝送路における装置や周辺機器用として高い信頼性が求められる分野で幅広く使用されています。

HPF400M-K09N243
HPF400M-K09N243
タイプ HPF
形状 ハイパスフィルター
特性インピーダンス 50Ω

衛星通信装置・マイクロ波中継装置・携帯電話基地局など高周波伝送路における装置や周辺機器用として高い信頼性が求められる分野で幅広く使用されています。

BPF060M-0070H02N227
BPF060M-0070H02N227
タイプ BPF
形状 バンドパスフィルター
特性インピーダンス 50Ω

衛星通信装置・マイクロ波中継装置・携帯電話基地局など高周波伝送路における装置や周辺機器用として高い信頼性が求められる分野で幅広く使用されています。

BPF060M-0100H03N228
BPF060M-0100H03N228
タイプ BPF
形状 バンドパスフィルター
特性インピーダンス 50Ω

衛星通信装置・マイクロ波中継装置・携帯電話基地局など高周波伝送路における装置や周辺機器用として高い信頼性が求められる分野で幅広く使用されています。

BPF150M-0100C03N214
BPF150M-0100C03N214
タイプ BPF
形状 バンドパスフィルター
特性インピーダンス 50Ω

衛星通信装置・マイクロ波中継装置・携帯電話基地局など高周波伝送路における装置や周辺機器用として高い信頼性が求められる分野で幅広く使用されています。