製品検索TOP 無反射終端器

キーワード検索
型番検索
「無反射終端器」カテゴリーの製品 23件中/1-15件目を表示
T1301
T1301
タイプ BNC型
形状 BNC-P
特性インピーダンス 50Ω
  • ストレート
  • プラグ

広帯域で特にVSWR特性に良好なBNC型50Ω0.5Wタイプの無反射終端器です。
開口部はBNC型プラグタイプです。
【欧州RoHS対応】

T1302
T1302
タイプ BNC型
形状 BNC-P
特性インピーダンス 50Ω
  • ストレート
  • プラグ

広帯域で特にVSWR特性に良好なBNC型50Ω1Wタイプの無反射終端器です。
開口部はBNC型プラグタイプです。
【欧州RoHS対応】

T1303
T1303
タイプ BNC型
形状 BNC-P
特性インピーダンス 50Ω
  • ストレート
  • プラグ

広帯域で特にVSWR特性に良好なBNC型50Ω2Wタイプの無反射終端器です。
開口部はBNC型プラグタイプです。
【欧州RoHS対応】

T1201J
T1201J
タイプ BNC型
形状 BNC-J
特性インピーダンス 50Ω
  • ストレート
  • ジャック

広帯域で特にVSWR特性に良好なBNC型50Ω0.5Wタイプの無反射終端器です。
開口部はBNC型ジャックタイプです。
【欧州RoHS対応】

T1151C
T1151C
タイプ BNC型
形状 BNC-P
特性インピーダンス 75Ω
  • ストレート
  • プラグ

広帯域で特にVSWR特性に良好なBNC型75Ω0.5Wタイプの無反射終端器です。
開口部はBNC型プラグタイプです。
【欧州RoHS対応】

T1151JC
T1151JC
タイプ BNC型
形状 BNC-J
特性インピーダンス 75Ω
  • ストレート
  • ジャック

広帯域で特にVSWR特性に良好なBNC型75Ω0.5Wタイプの無反射終端器です。
開口部はBNC型ジャックタイプです。

T2301
T2301
タイプ N型
形状 N-P
特性インピーダンス 50Ω
  • ストレート
  • プラグ


【欧州RoHS対応】広帯域で特にVSWR特性に良好なN型50Ω0.5Wタイプの無反射終端器です。
開口部はN型プラグタイプです。

T2302
T2302
タイプ N型
形状 N-P
特性インピーダンス 50Ω
  • ストレート
  • プラグ

広帯域で特にVSWR特性に良好なN型50Ω1Wタイプの無反射終端器です。
開口部はN型プラグタイプです。
【欧州RoHS対応】

T2201J
T2201J
タイプ N型
形状 N-J
特性インピーダンス 50Ω
  • ストレート
  • ジャック

広帯域で特にVSWR特性に良好なN型50Ω0.5Wタイプの無反射終端器です。
開口部はN型ジャックタイプです。
【欧州RoHS対応】

T2151C
T2151C
タイプ N型
形状 N-P
特性インピーダンス 75Ω
  • ストレート
  • プラグ

広帯域で特にVSWR特性に良好なN型75Ω0.5Wタイプの無反射終端器です。
開口部はN型プラグタイプです。
【欧州RoHS対応】

T2152C
T2152C
タイプ N型
形状 N-P
特性インピーダンス 75Ω
  • ストレート
  • プラグ

広帯域で特にVSWR特性に良好なN型75Ω1Wタイプの無反射終端器です。
開口部はN型プラグタイプです。
【欧州RoHS対応】

T2151JC
T2151JC
タイプ N型
形状 N-J
特性インピーダンス 75Ω
  • ストレート
  • ジャック

広帯域で特にVSWR特性に良好なN型75Ω0.5Wタイプの無反射終端器です。
開口部はN型ジャックタイプです。
【欧州RoHS対応】

T2404
T2404
タイプ N型
形状 N-P
特性インピーダンス 50Ω
  • ストレート
  • プラグ

広帯域で特にVSWR特性に良好なN型50Ω5W High Powerタイプの無反射終端器です。
開口部はN型プラグタイプです。
【欧州RoHS対応】

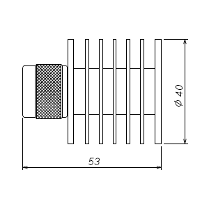
T2405TS
T2405TS
タイプ N型
形状 N-P
特性インピーダンス 50Ω
  • ストレート
  • プラグ

広帯域で特にVSWR特性に良好なN型50Ω10W High Powerタイプの無反射終端器です。
開口部はN型プラグタイプです。
【欧州RoHS対応】

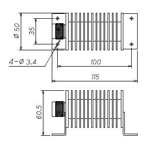
T2407
T2407
タイプ N型
形状 N-P
特性インピーダンス 50Ω
  • ストレート
  • プラグ

広帯域で特にVSWR特性に良好なN型50Ω30W High Powerタイプの無反射終端器です。
開口部はN型プラグタイプです。
【欧州RoHS対応】